工作原理
該爐集燃燒與換熱為一體以爐體高溫部位進行換熱的間接加熱技術,煙和空氣各行其道,熱效率高(達60-75%),升溫快,體積小,安裝方便,使用可靠,且價格低。

性能特點
采取了耐高溫措施,從而使其壽命比列管式熱風爐大大延長,并采用了煙氣縱向沖刷散熱片和負壓式排煙方式,換熱部位不積灰塵,無須清理,熱性能穩定??捎酶鞣N煤或柴作燃料,并配有二次進風裝置燃燒完全。
適應物料
該爐為通用性熱風裝置,與各種物料的干燥設備配套使用。廣泛用于糧食、種子、飼料、果品、脫水蔬菜、香茹、木耳、銀耳、茶葉、煙葉等農產品、食品、醫藥品、化工原料、輕重工業產品的加熱除濕,還可用于各種設施的加熱以及庫房除濕等。
技術規格
| 名稱\型號 | JRF-15 | JRF-20 | JRF-30 | JRF-40 | JRF-60 | JRF-80 | JRF-100 |
| 內筒直徑 | 760 | 760 | 1170 | 1170 | 1470 | 1670 | 1870 |
| 外筒直徑 | 1280 | 1280 | 1840 | 1840 | 2200 | 2460 | 2700 |
| 總高 | 3500 | 3500 | 4260 | 4760 | 4810 | 5110 | 5310 |
| 設備總量 | 3.15T | 3.65T | 6.8T | 7.5T | 9.8T | 11.7T | 13.5T |
| 熱風出口直徑 | 300 | 300 | 500 | 500 | 500 | 600 | 600 |
| 熱風出口高度 | 1585 | 1585 | 1670 | 1670 | 1670 | 1770 | 1770 |
| 煙氣出口直徑 | 250 | 250 | 250 | 250 | 250 | 300 | 320 |
| 煙氣出口高度 | 2050 | 2050 | 2220 | 2220 | 2220 | 2385 | 2385 |
| 牛角彎頭型號 | XZD/G Φ578 | XZD/G Φ810 | |||||
| 每小時耗煤量 | 43kg | 57kg | 85kg | 115kg | 170kg | 230kg | 286kg |
| 煤的燃燒值 | 5000kcal/h | ||||||
| 熱效率 | 70-78% | 75-80% | |||||
| 引煙風機型號 |
Y5-47-3.15C -1.5KW |
Y5-47-4C -2.2KW |
Y5-47-4C -3KW |
Y5-47-4C -4KW |
Y5-47-5C -7.5KW |
Y5-47-5C -7.5KW |
|
敬告注意
◎環境基準溫度標準按18℃±2℃,煤的熱值以5000Kcal/k g計算。
◎表中熱風溫度是按輸出風量確定的。熱風爐JRF4型的熱風溫度^高可達200℃以上,JRF5 JRF6 型熱風溫度^高可達300 ℃以上(特殊制造可達500 ℃以上),用戶根據需要進行調整。
◎熱風爐煙窗配置高度:JRF4 型3~5米,JRF 、JRF6 型為5~8米。
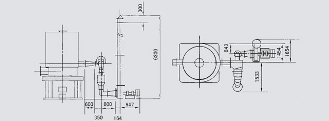
◎表中外形尺寸對應位置見熱風爐安裝示意圖。
◎爐膛下部內側壁上的耐火層以爐篦處為起點,其高度:JRF4- 4型為0.5米,可現場安裝。
◎JRF6 型為鏈條爐排式燃燒裝置。
- 2025-09-09 > 常州榮發干燥生產的閃蒸干燥整套生產線發貨外蒙古!
- 2025-05-20 > 常州榮發干燥木薯砂項目設備生產完畢準備發貨!
- 2025-04-07 > 常州榮發干燥越南項目-豌豆蛋白纖維渣干燥機發貨視頻!
- 2025-01-06 > 常州榮發干燥木薯貓砂烘干項目發貨現場!
- 2024-12-30 > 常州榮發干燥在江蘇環保項目順利完成作業!
- 2024-11-29 > 常州榮發干燥山東豆纖維烘干項目完成交貨!
- 2024-11-22 > 榮發干燥江蘇項目木薯貓砂專用烘干機發貨現場!
- 2024-10-29 > 分子篩烘干項目發貨現場!
- 2024-08-19 > 常州榮發干燥在徐州項目順利完成作業!
- 2024-08-01 > 榮發干燥在河北豆渣項目調試結束







